杭州汉卓机电科技有限公司
首页
企业简介
产品大全
联系我们
企业信息
访客留言
PRODUCT
产品大全
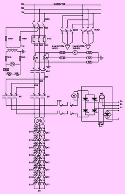
黑启动水电站励磁系统起励回路设计及其在机电控制系统中的关键作用
查看详情
控制系统选择 聚焦专业厂商,以三诺机电为例解析优质机电控制系统
查看详情
新空调控制模块 建大仁科红外空调控制器在机电控制系统中的应用
查看详情
LS(LG)PLC在厕所自动控制系统中的应用方案
查看详情
上海自动化控制系统集成控制柜 性能稳定、经济实用、操作便捷的机电控制核心
查看详情
永宏PLC在高速弹力丝机机电控制系统中的应用
查看详情
贝加莱控制系统系列在现代化污水处理中的典型应用与机电协同
查看详情
XL50 DDC控制柜 机电之家中的智能控制核心
查看详情
海康威视火灾自动报警系统 智能化、一体化的弱电安防综合解决方案
查看详情
PLC系列在离心式压缩机防喘振控制系统中的关键作用与实施策略
查看详情
施耐德底座TSXRKY8 专业选型指南与采购要点
查看详情
绿色智能工厂 台达在弱电系统中的绿色制造实践
查看详情
杭州永泰五金机电 TSTE15C引领机电控制系统新纪元
查看详情
车载雷达机电式自动调平系统方案
查看详情
语音识别电路设计图集锦及其在嵌入式机电控制系统中的应用
查看详情
电力监控系统在沈阳长白电器制造弱电系统中的应用
查看详情
高性能高效率高标准废纸打包机 盖州不可或缺的理想机械与机电控制系统
查看详情
干式单板电磁式离合器在美鑫尔机电机电控制系统中的应用与优势
查看详情
广州元升机械设备销售服务 弱电系统集成监控产品全览
查看详情
台达机电系列产品在双伺服自动切台上的应用
查看详情
如若转载,请注明出处:http://www.hz-hmt.com/product/list-2.html
第一页
上一页
1
2
3
4
5
下一页